Мы используем cookie для наилучшего представления нашего сайта. Подробнее об этом в Политике конфиденциальности.
Ок

Пятигорск

Ваш город:
Пятигорск (Ставропольский край)?
Нет
Да
Каталог
Каталог Написать в WhatsApp
Мотоэкипировка

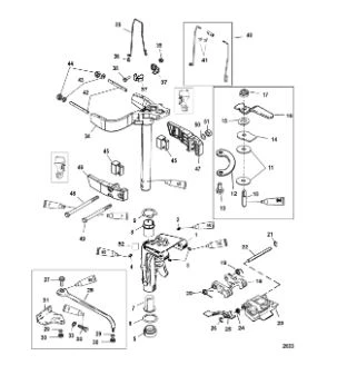
Поворотный кронштейн 4-Х ТАКТНОГО ПЛМ MERCURY F15 Серийный номер от 0P401000 и выше

Поворотный кронштейн 4-Х ТАКТНОГО ПЛМ MERCURY F15 Серийный номер от 0P401000 и выше в Пятигорске: актуальный каталог, цены, фото, описание. Купите поворотный кронштейн 4-х тактного плм mercury f15 серийный номер от 0p401000 и выше в кредит – оформите заявку онлайн за 1 минуту!

Оригинальные запчасти

Артикул НАИМЕНОВАНИЕ Кол-во деталей в узле Примечание Наличие Цена Аналоги Фото
1 822237A3 Поворотный кронштейн (BRKT-SWIVEL-BLACK)

Под заказ

1

Под заказ

уточнить

Купить
2 74036 Смазочный фиттинг (GREASE FITTING - EARLY STYLE)

Под заказ

1

Под заказ

уточнить

Купить
3 855628A1 BUSHING

Под заказ

1

Под заказ

уточнить

Купить
4 821961 Шток (ROD (THREADED))

Под заказ

1

Под заказ

уточнить

Купить
5 8165621 Шайба (DISC-BRAKE)

Под заказ

2

Под заказ

уточнить

Купить
6 821958A1 Упор (PLATE KIT)

Под заказ

1

Под заказ

уточнить

Купить
7 40011126 Болт (SCREW M6 X 13)

Под заказ

2

Под заказ

уточнить

Купить
8 821957 BRAKE PLATE

Под заказ

1

Под заказ

уточнить

Купить
9 29330 WASHER, For Slot

Под заказ

1

Под заказ

уточнить

Купить
10 821959 Рычаг рег.усилия поворота (HANDLE)

Под заказ

1

Под заказ

уточнить

Купить
11 826709113 Гайка (NUT-.375-24 NYL I)

Под заказ

1

Под заказ

уточнить

Купить
12 98830A4 REVERSE LOCK HOOK

Под заказ

1

Под заказ

уточнить

Купить
13 96018 Рюкзак "Квест 60"

Под заказ

1

Под заказ

уточнить

Купить
14 97427 SPRING, REVERSE HOOK - STARBOARD

Под заказ

1

Под заказ

уточнить

Купить
15 879894 SPRING

Под заказ

1

Под заказ

уточнить

Купить
16 13195 PIN, TROLL BRACKET

Под заказ

1

Под заказ

уточнить

Купить
17 12756 BRACKET, TROLL

Под заказ

1

Под заказ

уточнить

Купить
18 12754 SPRING

Под заказ

1

Под заказ

уточнить

Купить
19 12758 Рычаг (LEVER)

Под заказ

1

Под заказ

уточнить

Купить
20 849838 Болт (SCREW)

Под заказ

1

Под заказ

уточнить

Купить
21 41323A03 Комплект переделки (ATTACHING KIT, Steering Link)

Под заказ

1

Под заказ

уточнить

Купить
22 37828 Шайба (WASHER)

Под заказ

2

Под заказ

уточнить

Купить
23 96186A2 Крепеж (BRACKET ASSEMBLY)

Под заказ

1

Под заказ

уточнить

Купить
24 1993325 SCREW (M10 X 25)

Под заказ

2

Под заказ

уточнить

Купить
25 400248 LOCKWASHER

Под заказ

2

Под заказ

уточнить

Купить
26 854801T2 SWIVEL HEAD ASSEMBLY

Под заказ

1

Под заказ

уточнить

Купить
27 858338A1 SHAFT, Reverse Lock

Под заказ

1

Под заказ

уточнить

Купить
28 F536813 BEARING

Под заказ

1

Под заказ

уточнить

Купить
29 8M0036770 Направляющая (GUIDE E HOOK)

Под заказ

2

Под заказ

уточнить

Купить
30 40011109 Болт (SCREW)

Под заказ

1

Под заказ

уточнить

Купить
31 401385 Гайка (NUT-M5 HEX, NYL I)

Под заказ

1

Под заказ

уточнить

Купить
32 858338A3 LINK ROD KIT, Reverse Lock

Под заказ

1

Под заказ

уточнить

Купить
33 858407 BOLT, (M5 x 6)

Под заказ

2

Под заказ

уточнить

Купить
34 854819 STUD (M10 X 1.5)

Под заказ

2

Под заказ

уточнить

Купить
35 4002320 WASHER

Под заказ

2

Под заказ

уточнить

Купить
36 4013610 NUT, (M10)

Под заказ

2

Под заказ

уточнить

Купить
37 8M0039074 Аммортизатор подвески (MOUNT)

Под заказ

2

Под заказ

уточнить

Купить
38 854729T1 COVER

Под заказ

1

Под заказ

уточнить

Купить
39 854728T1 Крышка амортизатора (COVER)

Под заказ

1

Под заказ

уточнить

Купить
40 19943100 SCREW, (M8 x 100)

Под заказ

2

Под заказ

уточнить

Купить
41 1994360 SCREW, (M8 x 60)

Под заказ

1

Под заказ

уточнить

Купить
42 36001 Шайба (WASHER, LOWER MOUNT COVER SCREW)

Под заказ

3

Под заказ

уточнить

Купить
43 400213 Гайка

Под заказ

3

Под заказ

уточнить

Купить

Нулевая цена не означает отсутствие товара. Оформите заказ, и менеджер сообщит вам цену и наличие товара, предварительно запросив их у поставщика

Главная Магазины
Корзина0
Профиль