Каталог
Каталог Написать в WhatsApp
Мотоэкипировка

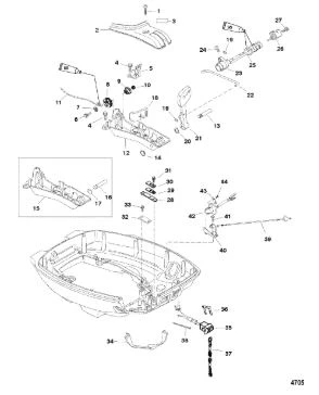
Рычаг дроссельной заслонки, Handle Models 4-Х ТАКТНОГО ПЛМ MERCURY F15 Серийный номер от 0P075166 до 0P400999

Рычаг дроссельной заслонки, Handle Models 4-Х ТАКТНОГО ПЛМ MERCURY F15 Серийный номер от 0P075166 до 0P400999 в Пятигорске: актуальный каталог, цены, фото, описание. Купите рычаг дроссельной заслонки, handle models 4-х тактного плм mercury f15 серийный номер от 0p075166 до 0p400999 в кредит – оформите заявку онлайн за 1 минуту!

Оригинальные запчасти

Артикул НАИМЕНОВАНИЕ Кол-во деталей в узле Примечание Наличие Цена Аналоги Фото
1 8248291 SCREW, (M6 x 20)

Под заказ

1

Под заказ

уточнить

Купить
2 856905 Крышка рукоятки переключения передач (COVER)

Под заказ

1

Под заказ

уточнить

Купить
3 856909 BRACKET

Под заказ

1

Под заказ

уточнить

Купить
4 4002316 Шайба (WASHER@5)

Под заказ

1

Под заказ

уточнить

Купить
5 825787A2 PULLEY ASSEMBLY

Под заказ

1

Под заказ

уточнить

Купить
6 825788 BUSHING (SIDE SHIFT)

Под заказ

1

Под заказ

уточнить

Купить
7 401366 Гайка (NUT, (M6))

Под заказ

1

Под заказ

уточнить

Купить
8 882818 THROTTLE LINK

Под заказ

1

Под заказ

уточнить

Купить
9 8569111 SHAFT

Под заказ

1

Под заказ

уточнить

Купить
10 48323 PLUG, CONTROL SHAFT

Под заказ

1

Под заказ

уточнить

Купить
11 856904A2 SHIFT PLATFORM KIT

Под заказ

1

Под заказ

уточнить

Купить
12 856911 SHAFT

Под заказ

1

Под заказ

уточнить

Купить
13 95019 RETAINING RING, LEVER TO SHIFT SHAFT

Под заказ

1

Под заказ

уточнить

Купить
14 856910 SEAL

Под заказ

1

Под заказ

уточнить

Купить
15 857213 RETAINING RING

Под заказ

2

Под заказ

уточнить

Купить
16 69150 WAVE WASHER, THROTTLE CAM SCREW

Под заказ

1

Под заказ

уточнить

Купить
17 856906 Ручка переключения передач (HANDLE-SHIFT)

Под заказ

1

Под заказ

уточнить

Купить
18 856908 SHIFT LINK

Под заказ

1

Под заказ

уточнить

Купить
19 856907 SHIFT LEVER

Под заказ

1

Под заказ

уточнить

Купить
20 82239312 Болт М5х12 (SCREW)

Под заказ

1

Под заказ

уточнить

Купить
21 852494A5 HORIZONTAL SHIFT SHAFT

Под заказ

1

Под заказ

уточнить

Купить
22 852494A6 HORIZONTAL SHIFT SHAFT

Под заказ

1

Под заказ

уточнить

Купить
23 855609 INTERLOCK LEVER

Под заказ

1

Под заказ

уточнить

Купить
24 826063 INTERLOCK LEVER

Под заказ

1

Под заказ

уточнить

Купить
25 40011111 SCREW, (M5 x 35)

Под заказ

1

Под заказ

уточнить

Купить
26 824992 SPRING-DETENT

Под заказ

1

Под заказ

уточнить

Купить
27 824993 SPRING-BACKING

Под заказ

1

Под заказ

уточнить

Купить
28 824994 SPRING, Plate

Под заказ

1

Под заказ

уточнить

Купить
29 8280471 STRAP-HORIZONTAL SHIFT SHAFT

Под заказ

1

Под заказ

уточнить

Купить
30 8354191 SEAL

Под заказ

1

Под заказ

уточнить

Купить
31 11083A30 SWITCH

Под заказ

1

Под заказ

уточнить

Купить
32 8M0032846 Держатель латунный (RETAINER)

Под заказ

1

Под заказ

уточнить

Купить
33 8M0092849 Стропка (LANYARD ASY @2)

Под заказ

1

Под заказ

уточнить

Купить
34 852472 WIRE

Под заказ

1

Под заказ

уточнить

Купить
35 855888F BRACKET

Под заказ

1

Под заказ

уточнить

Купить
36 8M0052929 SWITCH ASSEMBLY

Под заказ

1

Под заказ

уточнить

Купить
37 824923 Шайба (PLATE)

Под заказ

1

Под заказ

уточнить

Купить
38 82470620 SCREW, (M3.5 x 20)

Под заказ

2

Под заказ

уточнить

Купить

Нулевая цена не означает отсутствие товара. Оформите заказ, и менеджер сообщит вам цену и наличие товара, предварительно запросив их у поставщика

Главная Магазины
Корзина0
Профиль