Мы используем cookie для наилучшего представления нашего сайта. Подробнее об этом в Политике конфиденциальности.
Ок

Пятигорск

Ваш город:
Пятигорск (Ставропольский край)?
Нет
Да
Каталог
Каталог Написать в WhatsApp
Мотоэкипировка

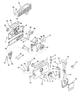
Дистанционное управление 4-Х ТАКТНОГО ПЛМ MERCURY 6 Серийный номер от 0R000001 до 0R067089

Дистанционное управление 4-Х ТАКТНОГО ПЛМ MERCURY 6 Серийный номер от 0R000001 до 0R067089 в Пятигорске: актуальный каталог, цены, фото, описание. Купите дистанционное управление 4-х тактного плм mercury 6 серийный номер от 0r000001 до 0r067089 в кредит – оформите заявку онлайн за 1 минуту!

Оригинальные запчасти

Артикул НАИМЕНОВАНИЕ Кол-во деталей в узле Примечание Наличие Цена Аналоги Фото
1 881170A8 Машинка газа/реверса (REMOTE CONTROL)

Под заказ

1

Под заказ

уточнить

Купить
2 16910A1 HOUSING KIT, Front, With Decals-Front

Под заказ

1

Под заказ

уточнить

Купить
3 17192 Заглшка (PLUG, Stop Switch Hole)

Под заказ

1

Под заказ

уточнить

Купить
4 17191 Заглушка (PLUG)

Под заказ

1

Под заказ

уточнить

Купить
5 16917 COVER

Под заказ

1

Под заказ

уточнить

Купить
6 16899T Фиксатор рукоятки (HOLDER)

Под заказ

1

Под заказ

уточнить

Купить
7 40118107 SCREW, (M5 x 18)

Под заказ

7

Под заказ

уточнить

Купить
8 16913T LEVER

Под заказ

1

Под заказ

уточнить

Купить
9 16916A1 CAP ASSEMBLY, With Decal

Под заказ

1

Под заказ

уточнить

Купить
10 16921 BRACKET, Lock Bar Support

Под заказ

1

Под заказ

уточнить

Купить
11 16915 LOCK ARM

Под заказ

1

Под заказ

уточнить

Купить
12 40056105 SCREW (M5 X 10)

Под заказ

1

Под заказ

уточнить

Купить
13 16924 Пружина (SPRING)

Под заказ

1

Под заказ

уточнить

Купить
14 16914 GRIP

Под заказ

1

Под заказ

уточнить

Купить
15 17016 Чебурашка разборная 7г

Под заказ

1

Под заказ

уточнить

Купить
16 40116110T SCREW

Под заказ

3

Под заказ

уточнить

Купить
17 35280 WASHER, BASE SCREW (1 O.D.)

Под заказ

3

Под заказ

уточнить

Купить
18 401196 Гайка (NUT, (M6))

Под заказ

3

Под заказ

уточнить

Купить
19 16920 BRAKE ADJUSTER

Под заказ

1

Под заказ

уточнить

Купить
20 16896 WASHER

Под заказ

1

Под заказ

уточнить

Купить
21 16895 ARM ASSEMBLY, Brake

Под заказ

1

Под заказ

уточнить

Купить
22 16874 Шайба (WASHER)

Под заказ

1

Под заказ

уточнить

Купить
23 16892T DRIVE GEAR

Под заказ

1

Под заказ

уточнить

Купить
24 850724A2 Пластина (PLATE/STUD ASSEMBLY)

Под заказ

1

Под заказ

уточнить

Купить
25 16873 ROLLER, Cam

Под заказ

1

Под заказ

уточнить

Купить
26 4007154 Болт (SCREW, M8 x 30)

Под заказ

1

Под заказ

уточнить

Купить
27 12038* Рюкзак "Витим 90"

Под заказ

1

Под заказ

уточнить

Купить
28 401386 Гайка (NUT-M6 HEX, NYL I)

Под заказ

2

Под заказ

уточнить

Купить
29 16918A3 GEAR SHIFT ASSEMBLY

Под заказ

1

Под заказ

уточнить

Купить
30 16868 Подшипник (BEARING .750 Inside Diameter (.750 ID))

Под заказ

1

Под заказ

уточнить

Купить
31 16870 Шайба (WASHER)

Под заказ

1

Под заказ

уточнить

Купить
32 16882 SPRING, Detent

Под заказ

5

Под заказ

уточнить

Купить
33 16879 ROLLER, Detent

Под заказ

1

Под заказ

уточнить

Купить
34 16880 CLIP, Detent

Под заказ

1

Под заказ

уточнить

Купить
35 16888 SPRING

Под заказ

1

Под заказ

уточнить

Купить
36 16886 CLIP

Под заказ

1

Под заказ

уточнить

Купить
37 16884 ROLLER

Под заказ

1

Под заказ

уточнить

Купить
38 16883 DRUM ASSEMBLY

Под заказ

1

Под заказ

уточнить

Купить
39 16922 WAVE WASHER

Под заказ

1

Под заказ

уточнить

Купить
40 16912T COVER, Bottom

Под заказ

1

Под заказ

уточнить

Купить
41 16911T COVER, Top

Под заказ

1

Под заказ

уточнить

Купить
42 16887 BEARING, (.810 Inside Diameter) (.810 ID)

Под заказ

1

Под заказ

уточнить

Купить
43 16919A1 LEVER ASSEMBLY

Под заказ

1

Под заказ

уточнить

Купить
44 17063T Шайба (SPACER)

Под заказ

1

Под заказ

уточнить

Купить

Нулевая цена не означает отсутствие товара. Оформите заказ, и менеджер сообщит вам цену и наличие товара, предварительно запросив их у поставщика

Главная Магазины
Корзина0
Профиль