Мы используем cookie для наилучшего представления нашего сайта. Подробнее об этом в Политике конфиденциальности.
Ок

Пятигорск

Ваш город:
Пятигорск (Ставропольский край)?
Нет
Да
Каталог
Каталог Написать в WhatsApp
Мотоэкипировка

Компоненты ручного управления 2-Х ТАКТНОГО ПЛМ MERCURY 90 Серийный номер от 9506481 до 9589038

Компоненты ручного управления 2-Х ТАКТНОГО ПЛМ MERCURY 90 Серийный номер от 9506481 до 9589038 в Пятигорске: актуальный каталог, цены, фото, описание. Купите компоненты ручного управления 2-х тактного плм mercury 90 серийный номер от 9506481 до 9589038 в кредит – оформите заявку онлайн за 1 минуту!

Оригинальные запчасти

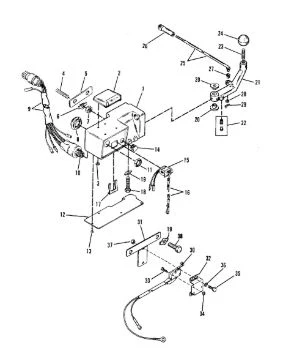
Артикул НАИМЕНОВАНИЕ Кол-во деталей в узле Примечание Наличие Цена Аналоги Фото
1 12022A13 BRACKET ASSEMBLY, Black

Под заказ

1

Под заказ

уточнить

Купить
2 12022A14 BRACKET ASSEMBLY, Gray

Под заказ

1

Под заказ

уточнить

Купить
3 12012A1 TACHOMETER ASSEMBLY

Под заказ

1

Под заказ

уточнить

Купить
4 113161 NUT

Под заказ

4

Под заказ

уточнить

Купить
5 12782 STUD, BRACKET

Под заказ

2

Под заказ

уточнить

Купить
6 15126 SPACER

Под заказ

1

Под заказ

уточнить

Купить
7 12080 TAB WASHER

Под заказ

2

Под заказ

уточнить

Купить
8 4002016 NUT

Под заказ

2

Под заказ

уточнить

Купить
9 121051 GROMMET

Под заказ

1

Под заказ

уточнить

Купить
10 12649A2 HARNESS ASSEMBLY

Под заказ

1

Под заказ

уточнить

Купить
11 88107A5 Замок зажигания (SWITCH KIT)

Под заказ

1

Под заказ

уточнить

Купить
12 879755 Гайка (NUT, Special - Black Nylon)

Под заказ

1

Под заказ

уточнить

Купить
13 12015A1 COVER

Под заказ

1

Под заказ

уточнить

Купить
14 72169 SCREW, PLATE

Под заказ

6

Под заказ

уточнить

Купить
15 11083A4 STOP SWITCH ASSEMBLY

Под заказ

1

Под заказ

уточнить

Купить
16 8M0092849 Стропка (LANYARD ASY @2)

Под заказ

1

Под заказ

уточнить

Купить
17 8M0032846 Держатель латунный (RETAINER)

Под заказ

1

Под заказ

уточнить

Купить
18 4000358 SCREW, SHIFT LEVER

Под заказ

1

Под заказ

уточнить

Купить
19 42981 Шайба с ограничителем (TAB WASHER)

Под заказ

3

Под заказ

уточнить

Купить
20 889732 Втулка (BUSHING)

Под заказ

2

Под заказ

уточнить

Купить
21 12021A1 Рычаг (LEVER-SHIFT-BLACK)

Под заказ

1

Под заказ

уточнить

Купить
22 12016A2 Пружина (DETENT/SPRING KIT)

Под заказ

1

Под заказ

уточнить

Купить
23 8M0034452 Шпилька (STUD)

Под заказ

1

Под заказ

уточнить

Купить
24 98530 Ручка (KNOB)

Под заказ

1

Под заказ

уточнить

Купить
25 495636 Тяга (ROD-SHIFT)

Под заказ

1

Под заказ

уточнить

Купить
26 48419T Наконечник (ROD END)

Под заказ

1

Под заказ

уточнить

Купить
27 26856 BUSHING, LINK ROD SWIVEL

Под заказ

1

Под заказ

уточнить

Купить
28 35950 Шайба (WASHER @2)

Под заказ

1

Под заказ

уточнить

Купить
29 25191 Шплинт (PIN-COTTER @2)

Под заказ

1

Под заказ

уточнить

Купить
30 93479A7 NEUTRAL START SWITCH

Под заказ

1

Под заказ

уточнить

Купить
31 12609 BRACKET, PRIMARY

Под заказ

1

Под заказ

уточнить

Купить
32 126101 BRACKET

Под заказ

1

Под заказ

уточнить

Купить
33 90342 SCREW, SWITCH TO BRACKET

Под заказ

2

Под заказ

уточнить

Купить
34 24832 NUT, SWITCH SCREW

Под заказ

2

Под заказ

уточнить

Купить
35 57583T SCREW @5

Под заказ

2

Под заказ

уточнить

Купить
36 20878 WASHER, BRACKET SCREW

Под заказ

2

Под заказ

уточнить

Купить
37 40001134 Болт (SCREW)

Под заказ

2

Под заказ

уточнить

Купить
38 894912 Ключ замка зажигания (KEY 1B)

Под заказ

1

Под заказ

уточнить

Купить
39 894913 Ключ (KEY 1C)

Под заказ

1

Под заказ

уточнить

Купить
40 894914 KEY 1D

Под заказ

1

Под заказ

уточнить

Купить
41 894915 Ключ замка зажигания (KEY 1E@2)

Под заказ

1

Под заказ

уточнить

Купить
42 894916 Ключ для замка зажигания (KEY 1F @2)

Под заказ

1

Под заказ

уточнить

Купить
43 894917 Ключ для замка зажигания (KEY 2A @2)

Под заказ

1

Под заказ

уточнить

Купить
44 894918 Ключ замка зажигания (KEY 2B)

Под заказ

1

Под заказ

уточнить

Купить
45 894919 Ключ (KEY 2C)

Под заказ

1

Под заказ

уточнить

Купить
46 8949110 Ключ для замка зажигания (KEY 2D@2 )

Под заказ

1

Под заказ

уточнить

Купить
47 8949111 Ключ замка зажигания (KEY 2E)

Под заказ

1

Под заказ

уточнить

Купить
48 8949112 Ключ замка зажигания (KEY 2F)

Под заказ

1

Под заказ

уточнить

Купить

Нулевая цена не означает отсутствие товара. Оформите заказ, и менеджер сообщит вам цену и наличие товара, предварительно запросив их у поставщика

Главная Магазины
Корзина0
Профиль